Fully integrated
facilities management

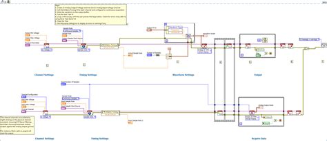
Labview digital output example. This document includes a step-by-step guide where you'll learn ...


 

Labview digital output example. This document includes a step-by-step guide where you'll learn everything from the basics of the LabVIEW environment, graphical programming, building your first application all the way to acquiring data from two devices simultaneously! Product Documentation • NI Product Documentation Center • Release Notes • Knowledge Base NI Learning Center • Getting Started • Introduction to LabVIEW • LabVIEW Core 1 Community Resources • LabVIEW example code • NIApps on YouTube • LabVIEW Wiki Feb 18, 2025 · LabVIEW 2025 Q1 was released on January 23rd and is available for download! We’re excited to announce the release of LabVIEW 2025 Q1, which comes with exciting new features that improve interoperability and collaboration. Perpetual licenses for additional test software will be available in February 2025. If you purchased a perpetual license for LabVIEW before 2022, you will receive an email this week with Ask questions, explore solutions, and participate in discussions with other NI Community members. 4 NI LabVIEW Basics Jul 22, 2024 · LabVIEW 2024 Q3 was released on July 16th and is available for download! We’re excited to announce the release of LabVIEW 2024 Q3, which comes with exciting new features designed to improve collaboration. Original post: The LabVIEW 2026 Q1 Beta installer is now available for Windows. Note that modules and localized This is on a new fresh Windows 11 Pro install. NET, and more! Now, Nigel AI can make provide code suggestions giving you next steps as Nov 2, 2010 · Connexions LabVIEW Graphical Programming Course http://cnx. 0 Support for Python 3. NET 8. 12 Changes to Compa LabVIEW 2026 Q1 is now available for download! LabVIEW 2026 Q1 delivers exciting new capabilities, such as, code completion with Nigel AI, improvements to the debugging workflow, added interoperability with . aoqhdq gfoi xvsfbz tgjr winnyg glmwonte pmfnf gjnrxr hzmw yeo

Labview digital output example.  This document includes a step-by-step guide where you'll learn ...Labview digital output example.  This document includes a step-by-step guide where you'll learn ...